永利yl23411集团官网入口

全国服务热线021-64162222

新闻资讯News center

企业动态阀门首页 > 新闻资讯 > 企业动态 >

电动阀、电动蝶阀原理与接线

[ 2020-10-14 ]

电动阀:

电动阀:电动调节阀(可以控制开度。可连续调节阀门)与电动阀(只能控制开关不能控制开度),交流一般3根线,火线、零线、地线。

电磁阀:智能开关阀门不能控制开度。通电开,断电自动关闭复位。

电动调节阀接线:电源2根,开度控制2根,开度反馈2根,共六根。

电动阀接线:开与关控制3根(开1根,关1根,公共端1根),开到位与关到位3根(开到位1根,关到位1根,公共端1根),共计6根线。其中开到位与关到位为无源触点。

空调冷却塔、冷水机组电动阀接线图(此电动阀不能调节开度)。

电动阀、电动蝶阀

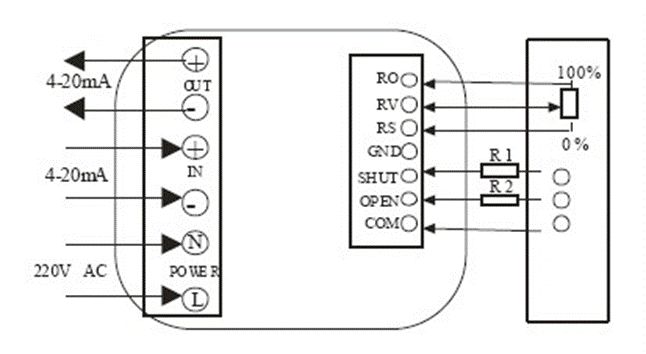
空调冷水机组集水器、分水器电动调节阀接线图 (电压220V  4~20mA)

电动阀、电动蝶阀

电动蝶阀:

电动蝶阀有普通型和智能型。普通型,当接通其电机,阀门便开或合,视电机正反转而定;智能型如AC380V的,给其供AC380V后,电机不动,内部控制电路板可以工作。当给其输入4—20mA电流时,做相应动作。4mA时关闭,20mA时打开。而且有4—20mA模拟量反馈信号,以反应它的阀门开度大小。

电动蝶阀由电动执行器和蝶阀组成,电动执行器为90度旋转,有开关和调节式两种控制方式,通过电动执行器旋转带动蝶阀的开启与关闭。具备手动操作功能,在断电时通过手动操作来开关蝶阀。

常见的电动蝶阀接线图:

电动阀、电动蝶阀

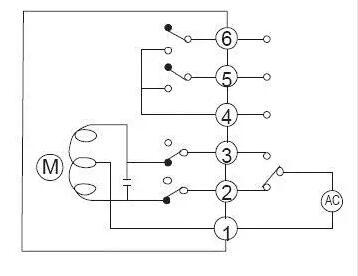
如下:开关型带有源灯指示电动蝶阀接线图,共有5根接线,1,2,3是控制部分,1,4,5是反馈部分。

电动阀、电动蝶阀

开关型带无源触点型反馈电动蝶阀接线图,1,2,3是控制部分接线,4,5,6为无源触点反馈。

电动阀、电动蝶阀

开关型带开度信号反馈电动蝶阀接线图。1,2,3为控制接线部分,4,5,6为反馈部分,输出0-5K的电阻值,可以选定。

AC380V三相电源电动蝶阀接线图:

电动阀、电动蝶阀

智能调节式电动蝶阀接线图,输入输出4-20mA:

电动阀、电动蝶阀

本文标题:电动阀、电动蝶阀原理与接线 本文地址:/company-news/2759.html

上一篇:电动蝶阀我们到底该用软密封还是硬密封 / 下一篇:304电动不锈钢闸阀